舒瑞普紧凑式法兰可焊接到管道上,与钎焊板式换热器上的法兰接头连接。
舒瑞普紧凑式法兰由精选供应商按照舒瑞普规格进行生产。精心选择的优质材料具有良好的兼容性。准确的尺寸可为您节省安装时间和费用。舒瑞普配件确保按照设计工程师的预期安装和工作。
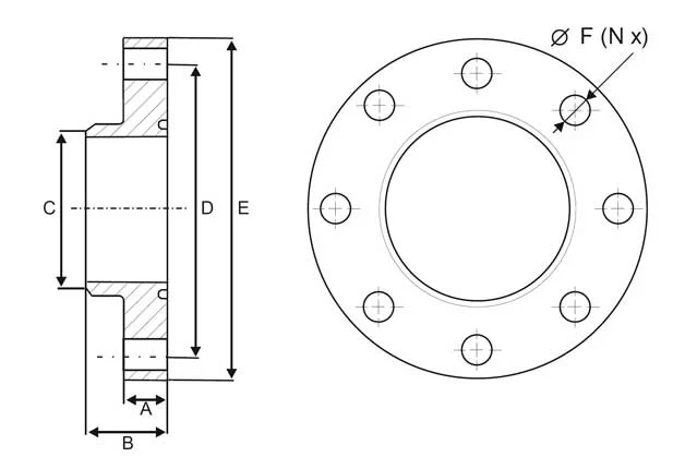
请在下表中查找规格、技术数据和材料选项。
| 型号 | A (mm) | B (mm) | C (mm) | D (mm) | E | Ø F (mm) |
|---|---|---|---|---|---|---|
| DN20C | 10 | 20 | 26,9 | 53 | 71 | 11 |
| DN25C | 10 | 20 | 33,7 | 63 | 84 | 13 |
| DN50C | 12 | 24 | 60,3 | 91 | 112 | 13 |
| DN65C | 12 | 24 | 76,1 | 106 | 125 | 13 |
| DN80C | 15 | 30 | 88,9 | 118 | 141 | 13 |
| DN100C | 15 | 30 | 114,3 | 144 | 165 | 13 |
| DN150C | 22 | 44 | 168,3 | 217 | 250 | 21 |
技术参数(根据SWEP垫片特性)
| 最高工作温度 | 200°C |
| 最低工作温度 | -15°C |
| 最大工作压力 | 40 bar |
材料选项
| 不锈钢: | 1.4404 alt. 1.4571 |
| 碳钢 : | C22.8 |