舒瑞普暖通空调保温棉由精选供应商按照舒瑞普规格进行生产。精心选择的优质材料具有良好的兼容性。准确的尺寸可为您节省安装时间和费用。舒瑞普配件确保按照设计工程师的预期安装和工作。
请在下表中查找规格、技术数据和材料选项。
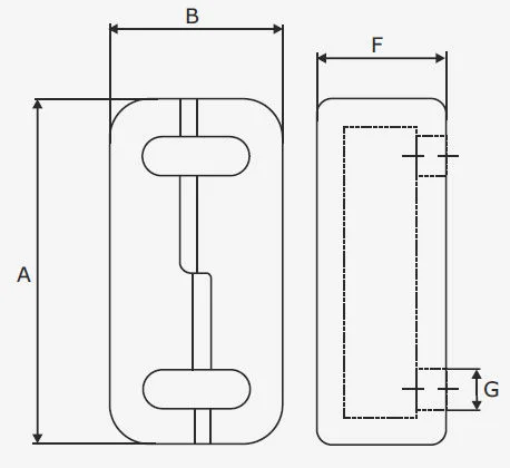
| 型号 | 5T | 8T | 10T/12 | 15 | 16/26 | 25T/28/80 |
|---|---|---|---|---|---|---|
| A (mm) | 246 | 386 | 356 | 530 | 452 | 594 |
| B (mm) | 119 | 127 | 181 | 126 | 185 | 182 |
| F (mm)* 大约. | 66+2.2×NoP | 77+2.24×NoP | 72+2.24×NoP | 66+2.5×NoP | 85+2.25×NoP | 84,3+2,4×NoP |
| G (mm) | 35 | 35 | 50 | 35 | 45 | 50 |
| 厚度(mm) | 20 | 25 | 30 | 25 | 25 | 30 |
| 型号 | 35 | 50/56/120T/200T | 65 | 427 |
|---|---|---|---|---|
| A (mm) | 495 | 627 | 1073 | 850 |
| B (mm) | 330 | 330 | 500 | 418 |
| F (mm)* 大约. | 105,1+2,4×NoP | 105,1+2,4×NoP | 178+2,4×NoP | 154,5+2,3×NoP |
| G (mm) | 68 | 85 | 123 | 173 |
| 厚度 (mm) | 40 | 40 | 60 | 60 |
技术资料
| 最高工作温度 | 130°C |
| 颜色 | Red |
| 导热性 | 0.032 W/mK |
| 耐火性能 | B2,符合DIN4102标准 |
| 保温材料 | 硬质发泡聚氨酯 |
| 盖板材料 | 聚苯乙烯 475K |